产品简介:
PZ系列电动执行器,是以交/直流电机为核心的变速装置, 配合FC系列控制模块,对各类角行程阀门的开度、比例调节,从而控 制管道内气体、液体流量的输出大小。
特点:全金属大模数齿轮、蜗杆机芯,低功耗、长寿命、安全保 证、耐磨的工业设计标准;具有综合体积小、速度快、**高、 回差少等特点。
应用:配套行业标准或非标准的角行程球阀、蝶阀等,广泛应用 于造纸、医药、食品、化工、石油、电力、消防、空调、给排水等工 业自动化控制领域。
选型表(以30型为代表,40/50/60型电机功率,齿轮组增大使输出扭力增大、其它配置一样):
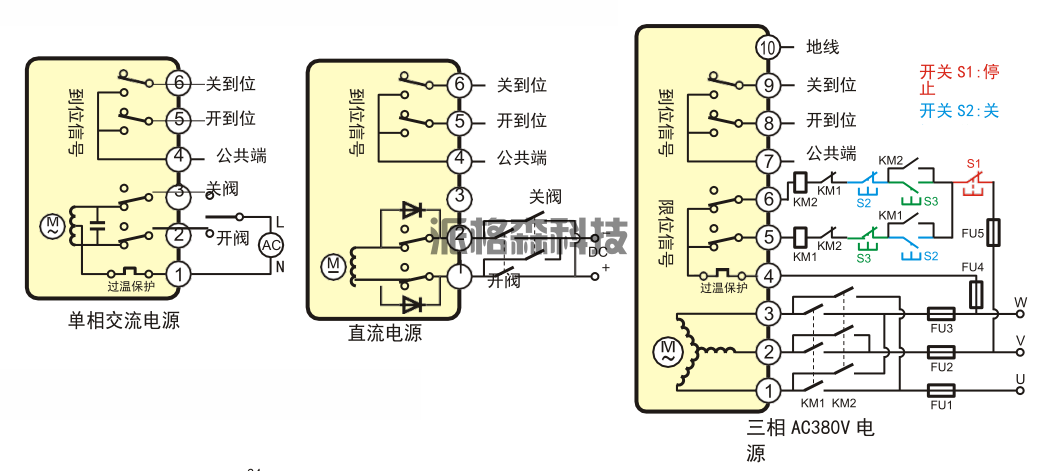
标准开关型接线图(其它:参考对应控制器的接线图):

外形尺寸、底部装配规格:



全国服务热线/SERVICE HOTLINE : 181 2631 1395


